Kessebohmer официальный интернет-магазин
Каталог товаров
Выдвижные колонны
Tandem Solo
Tandem Solo h1300
Tandem Solo h1800
Tandem SIDE
Tandem SIDE h600
Tandem SIDE h800
Tandem SIDE h1100
Tandem SIDE h1700
Аксессуары Tandem SIDE
Tandem II
Tandem II h800
Tandem II h1100
Tandem II h1700
Аксессуары для Тандем II
Dispensa 90
Dispensa 90 h1200-1600
Dispensa 90 h1600-2000
Dispensa 90 h1900-2300
Аксессуары для Dispensa 90
CONVOY Lavido
Аксессуары к CONVOY Lavido
CONVOY Premio
Аксессуары к CONVOY Premio
K-Line EasyRack
Механизмы для кухонных тумб
Бутылочница 150мм
Dispensa Junior Slim
Dispensa Junior YouBoxx
Кукинг Агент
Дайнинг Агент
Дайнинг Агент 600
Дайнинг Агент 800
Дайнинг Агент 900
Comfort II
Механизмы для чистящих средств
Корзины под мойку
Механизмы для угловых кухонных тумб
LEMANS 2 полки
LEMANS 2 полки h 600-750
LEMANS 2 полки h 720-900
LEMANS 4 полки
Волшебный уголок
Механизмы для верхних шкафов
Механизм TWISTER
TurnMotion II
TurnMotion III
Механизм iMove
Подъемные механизмы для кухни
Подъемные механизмы семейства FREE SLIM
Подъёмный механизм FREEslim FLAP
Подъемный механизм FREE FOLD
Подъемный механизм FREE SLIDE
Подъемный механизм FREE SWING
Подъемный механизм FREE FLAP
Подъемный механизм FREE SPACE
Подъемный механизм MAXI
Подъемный механизм FREE LIGHT
Подъемный механизм DUO
Газовый амортизатор для подъемного механизма
Системы хранения
Хранение одежды CONERO Конеро 320мм
Полки CONERO КОНЕРО 320мм
Хранение обуви CONERO КОНЕРО 320мм
Держатель для брюк, юбок и мешков для белья CONERO КОНЕРО 320мм
Держатели для ремней и галстуков CONERO КОНЕРО 320мм
Пантограф для гардеробной CONERO КОНЕРО
Штанга для одежды CONERO Конеро
Мешок для белья выдвижной CONERO КОНЕРО
Комплектующие для систем хранения CONERO КОНЕРО 320мм
Хранение одежды CONERO Конеро 450мм
Полки CONERO КОНЕРО 450мм
Хранение обуви CONERO КОНЕРО 450мм
Держатель для брюк, юбок и мешков для белья CONERO КОНЕРО 450мм
Держатели для ремней и галстуков CONERO КОНЕРО 450мм
Пантограф для гардеробной CONERO КОНЕРО
Штанга для одежды CONERO Конеро
Мешок для белья выдвижной CONERO КОНЕРО
Комплектующие для систем хранения CONERO КОНЕРО 450мм
Стеллажи Юкей YouK
Дополнительные элементы YouK Юкей
Готовые решения стеллажной системы Юкей YouK
Столы
Рейлинговые системы
Рейлинговая система Linero Mosaiq
Рейлинговая система Linero Classik
Аксессуары
Деревянные лотки Fine Line Liniq
Держатель для противней
Органайзер Space Flex
Рейлинговая система Линеро Мозаик
Рейлинговая система Линеро Классик
Комплектующие
eTouch
Комплектующие для Dispensa 90
Комплектующие для Lemans
Комплектующие для Tandem Solo
Комплектующие для Comfort II
Комплектующие для CONVOY Lavido
Комплектующие для Tandem II
Комплектующие для Tandem Side
Комплектующие для Magic Corner Волшебный Уголок
Комплектующие для Dispensa Junior Slim
Комплектующие для Linero MosaiQ
Комплектующие для CONVOY Premio
Комплектующие для Tandem III
Брючницы
О компании
Акции
Оплата
Доставка
Новости
Контакты
8 800 550-68-99
8 800 550-68-99
+7 (921) 947-69-67
Заказать звонок
Задать вопрос
Войти
  • Корзина0
  • Избранные товары0
  • Сравнение товаров0
Ваш город
Ижевск
zakaz@kesse-russia.ru
  • Telegram
  • Rutube
Ваш город
Ижевск
8 800 550-68-99
8 800 550-68-99
+7 (921) 947-69-67
Заказать звонок
  • Каталог товаров
  • О компании
  • Акции
  • Конфигуратор
  • Оплата
  • Доставка
  • Новости
  • Контакты
  • ...
    Войти
    Сравнение0
    Избранные товары 0
    Корзина 0
    Kessebohmer официальный интернет-магазин
    Выдвижные колонны
    Miele
    • Tandem Solo
      Tandem Solo
    • Tandem SIDE
      Tandem SIDE
    • Tandem II
      Tandem II
    • Dispensa 90
      Dispensa 90
    • CONVOY Lavido
      CONVOY Lavido
    • CONVOY Premio
      CONVOY Premio
    • K-Line EasyRack
      K-Line EasyRack
    Механизмы для кухонных тумб
    Miele
    • Бутылочница 150мм
      Бутылочница 150мм
    • Dispensa Junior Slim
      Dispensa Junior Slim
    • Dispensa Junior YouBoxx
      Dispensa Junior YouBoxx
    • Кукинг Агент
      Кукинг Агент
    • Дайнинг Агент
      Дайнинг Агент
    • Comfort II
      Comfort II
    • Механизмы для чистящих средств
      Механизмы для чистящих средств
    • Корзины под мойку
      Корзины под мойку
    Механизмы для угловых кухонных тумб
    Miele
    • LEMANS 2 полки
      LEMANS 2 полки
    • LEMANS 4 полки
      LEMANS 4 полки
    • Волшебный уголок
      Волшебный уголок
    Механизмы для верхних шкафов
    Miele
    • Механизм TWISTER
      Механизм TWISTER
    • TurnMotion II
      TurnMotion II
    • TurnMotion III
      TurnMotion III
    • Механизм iMove
      Механизм iMove
    Подъемные механизмы для кухни
    Miele
    • Подъемные механизмы семейства FREE SLIM
      Подъемные механизмы семейства FREE SLIM
    • Подъемный механизм FREE FOLD
      Подъемный механизм FREE FOLD
    • Подъемный механизм FREE SLIDE
      Подъемный механизм FREE SLIDE
    • Подъемный механизм FREE SWING
      Подъемный механизм FREE SWING
    • Подъемный механизм FREE FLAP
      Подъемный механизм FREE FLAP
    • Подъемный механизм FREE SPACE
      Подъемный механизм FREE SPACE
    • Подъемный механизм MAXI
      Подъемный механизм MAXI
    • Подъемный механизм FREE LIGHT
      Подъемный механизм FREE LIGHT
    • Подъемный механизм DUO
      Подъемный механизм DUO
    • Газовый амортизатор для подъемного механизма
      Газовый амортизатор для подъемного механизма
    Системы хранения
    Miele
    • Хранение одежды CONERO Конеро 320мм
      Хранение одежды CONERO Конеро 320мм
    • Хранение одежды CONERO Конеро 450мм
      Хранение одежды CONERO Конеро 450мм
    • Стеллажи Юкей YouK
      Стеллажи Юкей YouK
    Столы
    Рейлинговые системы
    • Рейлинговая система Linero Mosaiq
      Рейлинговая система Linero Mosaiq
    • Рейлинговая система Linero Classik
      Рейлинговая система Linero Classik
    Аксессуары
    • Деревянные лотки Fine Line Liniq
      Деревянные лотки Fine Line Liniq
    • Держатель для противней
      Держатель для противней
    • Органайзер Space Flex
      Органайзер Space Flex
    • Рейлинговая система Линеро Мозаик
      Рейлинговая система Линеро Мозаик
    • Рейлинговая система Линеро Классик
      Рейлинговая система Линеро Классик
    Комплектующие
    • eTouch
      eTouch
    • Комплектующие для Dispensa 90
      Комплектующие для Dispensa 90
    • Комплектующие для Lemans
      Комплектующие для Lemans
    • Комплектующие для Tandem Solo
      Комплектующие для Tandem Solo
    • Комплектующие для Comfort II
      Комплектующие для Comfort II
    • Комплектующие для CONVOY Lavido
      Комплектующие для CONVOY Lavido
    • Комплектующие для Tandem II
      Комплектующие для Tandem II
    • Комплектующие для Tandem Side
      Комплектующие для Tandem Side
    •  Комплектующие для Magic Corner Волшебный Уголок
      Комплектующие для Magic Corner Волшебный Уголок
    • Комплектующие для Dispensa Junior Slim
      Комплектующие для Dispensa Junior Slim
    • Комплектующие для Linero MosaiQ
      Комплектующие для Linero MosaiQ
    • Комплектующие для CONVOY Premio
      Комплектующие для CONVOY Premio
    • Комплектующие для Tandem III
      Комплектующие для Tandem III
    Брючницы
    +  ЕЩЕ
      Особые условия для оптовых клиентов (под шапкой)
      Kessebohmer официальный интернет-магазин
      Ваш город
      Ижевск
      8 800 550-68-99
      8 800 550-68-99
      +7 (921) 947-69-67
      Заказать звонок
      Сравнение0
      Избранные товары 0
      Корзина 0
      Kessebohmer официальный интернет-магазин
      Сравнение0 Избранные товары 0 Корзина 0
      Телефоны
      8 800 550-68-99
      +7 (921) 947-69-67
      Заказать звонок
      • Каталог товаров
        • Назад
        • Каталог товаров
        • Выдвижные колонны Выдвижные колонны
          • Назад
          • Выдвижные колонны
          • Tandem Solo Tandem Solo
            • Назад
            • Tandem Solo
            • Tandem Solo h1300 Tandem Solo h1300
            • Tandem Solo h1800 Tandem Solo h1800
          • Tandem SIDE Tandem SIDE
            • Назад
            • Tandem SIDE
            • Tandem SIDE h600 Tandem SIDE h600
            • Tandem SIDE h800 Tandem SIDE h800
            • Tandem SIDE h1100 Tandem SIDE h1100
            • Tandem SIDE h1700 Tandem SIDE h1700
            • Аксессуары Tandem SIDE Аксессуары Tandem SIDE
          • Tandem II Tandem II
            • Назад
            • Tandem II
            • Tandem II h800 Tandem II h800
            • Tandem II h1100 Tandem II h1100
            • Tandem II h1700 Tandem II h1700
            • Аксессуары для Тандем II Аксессуары для Тандем II
          • Dispensa 90 Dispensa 90
            • Назад
            • Dispensa 90
            • Dispensa 90 h1200-1600 Dispensa 90 h1200-1600
            • Dispensa 90 h1600-2000 Dispensa 90 h1600-2000
            • Dispensa 90 h1900-2300 Dispensa 90 h1900-2300
            • Аксессуары для  Dispensa 90 Аксессуары для Dispensa 90
          • CONVOY Lavido CONVOY Lavido
            • Назад
            • CONVOY Lavido
            • Аксессуары к CONVOY Lavido Аксессуары к CONVOY Lavido
          • CONVOY Premio CONVOY Premio
            • Назад
            • CONVOY Premio
            •  Аксессуары к CONVOY Premio Аксессуары к CONVOY Premio
          • K-Line EasyRack K-Line EasyRack
        • Механизмы для кухонных тумб Механизмы для кухонных тумб
          • Назад
          • Механизмы для кухонных тумб
          • Бутылочница 150мм Бутылочница 150мм
          • Dispensa Junior Slim Dispensa Junior Slim
          • Dispensa Junior YouBoxx Dispensa Junior YouBoxx
          • Кукинг Агент Кукинг Агент
          • Дайнинг Агент Дайнинг Агент
            • Назад
            • Дайнинг Агент
            • Дайнинг Агент 600 Дайнинг Агент 600
            • Дайнинг Агент 800 Дайнинг Агент 800
            • Дайнинг Агент 900 Дайнинг Агент 900
          • Comfort II Comfort II
          • Механизмы для чистящих средств Механизмы для чистящих средств
          • Корзины под мойку Корзины под мойку
        • Механизмы для угловых кухонных тумб Механизмы для угловых кухонных тумб
          • Назад
          • Механизмы для угловых кухонных тумб
          • LEMANS 2 полки LEMANS 2 полки
            • Назад
            • LEMANS 2 полки
            • LEMANS 2 полки h 600-750 LEMANS 2 полки h 600-750
            • LEMANS 2 полки h 720-900 LEMANS 2 полки h 720-900
          • LEMANS 4 полки LEMANS 4 полки
          • Волшебный уголок Волшебный уголок
        • Механизмы для верхних шкафов Механизмы для верхних шкафов
          • Назад
          • Механизмы для верхних шкафов
          • Механизм TWISTER Механизм TWISTER
          • TurnMotion II TurnMotion II
          • TurnMotion III TurnMotion III
          • Механизм iMove Механизм iMove
        • Подъемные механизмы для кухни Подъемные механизмы для кухни
          • Назад
          • Подъемные механизмы для кухни
          • Подъемные механизмы семейства FREE SLIM Подъемные механизмы семейства FREE SLIM
            • Назад
            • Подъемные механизмы семейства FREE SLIM
            • Подъёмный механизм FREEslim FLAP Подъёмный механизм FREEslim FLAP
          • Подъемный механизм FREE FOLD Подъемный механизм FREE FOLD
          • Подъемный механизм FREE SLIDE Подъемный механизм FREE SLIDE
          • Подъемный механизм FREE SWING Подъемный механизм FREE SWING
          • Подъемный механизм FREE FLAP Подъемный механизм FREE FLAP
          • Подъемный механизм FREE SPACE Подъемный механизм FREE SPACE
          • Подъемный механизм MAXI Подъемный механизм MAXI
          • Подъемный механизм FREE LIGHT Подъемный механизм FREE LIGHT
          • Подъемный механизм DUO Подъемный механизм DUO
          • Газовый амортизатор для подъемного механизма Газовый амортизатор для подъемного механизма
        • Системы хранения Системы хранения
          • Назад
          • Системы хранения
          • Хранение одежды CONERO Конеро 320мм Хранение одежды CONERO Конеро 320мм
            • Назад
            • Хранение одежды CONERO Конеро 320мм
            • Полки CONERO КОНЕРО 320мм Полки CONERO КОНЕРО 320мм
            • Хранение обуви CONERO КОНЕРО 320мм Хранение обуви CONERO КОНЕРО 320мм
            • Держатель для брюк, юбок и мешков для белья CONERO КОНЕРО 320мм Держатель для брюк, юбок и мешков для белья CONERO КОНЕРО 320мм
            • Держатели для ремней и галстуков CONERO КОНЕРО 320мм Держатели для ремней и галстуков CONERO КОНЕРО 320мм
            • Пантограф для гардеробной CONERO КОНЕРО Пантограф для гардеробной CONERO КОНЕРО
            • Штанга для одежды CONERO Конеро Штанга для одежды CONERO Конеро
            • Мешок для белья выдвижной CONERO КОНЕРО Мешок для белья выдвижной CONERO КОНЕРО
            • Комплектующие для систем хранения CONERO КОНЕРО 320мм Комплектующие для систем хранения CONERO КОНЕРО 320мм
          • Хранение одежды CONERO Конеро 450мм Хранение одежды CONERO Конеро 450мм
            • Назад
            • Хранение одежды CONERO Конеро 450мм
            • Полки CONERO КОНЕРО 450мм Полки CONERO КОНЕРО 450мм
            • Хранение обуви CONERO КОНЕРО 450мм Хранение обуви CONERO КОНЕРО 450мм
            • Держатель для брюк, юбок и мешков для белья CONERO КОНЕРО 450мм Держатель для брюк, юбок и мешков для белья CONERO КОНЕРО 450мм
            • Держатели для ремней и галстуков CONERO КОНЕРО 450мм Держатели для ремней и галстуков CONERO КОНЕРО 450мм
            • Пантограф для гардеробной CONERO КОНЕРО Пантограф для гардеробной CONERO КОНЕРО
            • Штанга для одежды CONERO Конеро Штанга для одежды CONERO Конеро
            • Мешок для белья выдвижной CONERO КОНЕРО Мешок для белья выдвижной CONERO КОНЕРО
            • Комплектующие для систем хранения CONERO КОНЕРО 450мм Комплектующие для систем хранения CONERO КОНЕРО 450мм
          • Стеллажи Юкей YouK Стеллажи Юкей YouK
            • Назад
            • Стеллажи Юкей YouK
            • Дополнительные элементы YouK Юкей Дополнительные элементы YouK Юкей
            • Готовые решения стеллажной системы Юкей YouK Готовые решения стеллажной системы Юкей YouK
        • Столы Столы
        • Рейлинговые системы Рейлинговые системы
          • Назад
          • Рейлинговые системы
          • Рейлинговая система Linero Mosaiq Рейлинговая система Linero Mosaiq
          • Рейлинговая система Linero Classik Рейлинговая система Linero Classik
        • Аксессуары Аксессуары
          • Назад
          • Аксессуары
          • Деревянные лотки Fine Line Liniq Деревянные лотки Fine Line Liniq
          • Держатель для противней Держатель для противней
          • Органайзер Space Flex Органайзер Space Flex
          • Рейлинговая система Линеро Мозаик Рейлинговая система Линеро Мозаик
          • Рейлинговая система Линеро Классик Рейлинговая система Линеро Классик
        • Комплектующие Комплектующие
          • Назад
          • Комплектующие
          • eTouch eTouch
          • Комплектующие для Dispensa 90 Комплектующие для Dispensa 90
          • Комплектующие для Lemans Комплектующие для Lemans
          • Комплектующие для Tandem Solo Комплектующие для Tandem Solo
          • Комплектующие для Comfort II Комплектующие для Comfort II
          • Комплектующие для CONVOY Lavido Комплектующие для CONVOY Lavido
          • Комплектующие для Tandem II Комплектующие для Tandem II
          • Комплектующие для Tandem Side Комплектующие для Tandem Side
          •  Комплектующие для Magic Corner Волшебный Уголок Комплектующие для Magic Corner Волшебный Уголок
          • Комплектующие для Dispensa Junior Slim Комплектующие для Dispensa Junior Slim
          • Комплектующие для Linero MosaiQ Комплектующие для Linero MosaiQ
          • Комплектующие для CONVOY Premio Комплектующие для CONVOY Premio
          • Комплектующие для Tandem III Комплектующие для Tandem III
        • Брючницы Брючницы
      • О компании
      • Акции
      • Оплата
      • Доставка
      • Новости
      • Контакты
      • Ижевск
        • Назад
      • Личный кабинет
      • Корзина0
      • Избранные товары0
      • Сравнение товаров0
      • 8 800 550-68-99
        • Назад
        • Телефоны
        • 8 800 550-68-99
        • +7 (921) 947-69-67
        • Заказать звонок
      Контактная информация
      zakaz@kesse-russia.ru
      • Telegram
      • Rutube
      Главная
      —
      Каталог
      —
      Подъемные механизмы для кухни
      Выдвижные колонныМеханизмы для кухонных тумбМеханизмы для угловых кухонных тумбМеханизмы для верхних шкафовСистемы храненияСтолыРейлинговые системыАксессуарыКомплектующиеБрючницы
      —
      Подъемный механизм FREE FOLD
      Подъемные механизмы семейства FREE SLIMПодъемный механизм FREE SLIDEПодъемный механизм FREE SWINGПодъемный механизм FREE FLAPПодъемный механизм FREE SPACEПодъемный механизм MAXIПодъемный механизм FREE LIGHTПодъемный механизм DUOГазовый амортизатор для подъемного механизма
      —Петля мебельная 110* накладная Hettich

      Петля мебельная 110* накладная Hettich

      Калькулятор подъемных механизмов (Над контентом)
      Петля мебельная 110* накладная Hettich Kessebohmer | официальный магазин
      Петля мебельная 110* накладная Hettich Kessebohmer | официальный магазин
      Петля мебельная 110* накладная Hettich Kessebohmer | официальный магазин
      Петля мебельная 110* накладная Hettich Kessebohmer | официальный магазин
      Петля мебельная 110* накладная Hettich Kessebohmer | официальный магазин
      Петля мебельная 110* накладная Hettich Kessebohmer | официальный магазин
      Петля мебельная 110* накладная Hettich Kessebohmer | официальный магазин
      Петля мебельная 110* накладная Hettich Kessebohmer | официальный магазин
      Петля мебельная 110* накладная Hettich Kessebohmer | официальный магазин
      Петля мебельная 110* накладная Hettich Kessebohmer | официальный магазин
      В избранное
      Сравнить
      Артикул: 9865486202
      Кессебёмер
      Характеристики
      Бренд
      —
      Hettich
      Категория товара
      —
      Комплектующие для механизмов
      565 руб./шт
      Много в 1 магазине
      Нашли дешевле?
      В корзинуВ корзине
      Купить в 1 клик
      Рассчитать доставку
      Хочу в подарок
      Цена действительна только для интернет-магазина и может отличаться от цен в розничных магазинах.

      Характеристики товаров на сайте являются ориентировочными. Точные характеристики вы можете уточнить на сайте производителя.
      Инструкции по эксплуатации, монтажные планы и схемы сборки встраивания представлены в ознакомительных целях. Производитель имеет право вносить изменения без уведомления. Актуальная документация предоставляется в комплекте с товаром.

      Фотографии и рендеры, представленные на сайте, являются графическими изображениями и могут отличатся от фактического внешнего вида. Точное совпадение цвета разных изделий гарантироваться не может. Производитель оставляет за собой право изменять оттенок, сохранив название цвета, без предварительного информирования.
      Конфигуратор подбора <br>подъемных механизмов
      Конфигуратор подбора
      подъемных механизмов
      Крепление по системе<br>ClickFixx
      Крепление по системе
      ClickFixx
      Возможна установка<br> электропривода eTouch
      Возможна установка
      электропривода eTouch
      • Описание
      • Полезная информация
      • Наличие
      • Как купить
      • Доставка
      • Отзывы
      • Акции и скидки
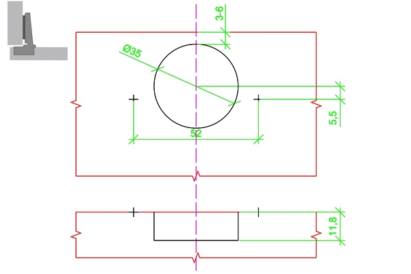
      Основные характеристики
      • Назначение петли: для дерева/ДСП
      • Способ монтажа петли: Clip-On - быстрый
      • Ответная планка: нет
      • Единица измерения: шт
      Габариты
      • Угол закрытой петли: 90о
      • Угол открывания: 110о
      • Диаметр чашки, мм: 35
      Особенности
      • Доводчик: нет
      • Производитель: Hettich
      • Страна: Германия

      Нашим покупателям мы готовы предложить услугу по монтажу приобретенных у нас изделий. Стоимость монтажа вы можете уточнить у менеджера по телефону

      Подобрать подъемник в конфигураторе

      Видео-инструкции YouTube

      Видео-инструкции RUTUBE

      3D модели

      3D модели

      Чек листы

      Наличие

      Для покупки товара в нашем интернет-магазине выберите понравившийся товар и добавьте его в корзину. Далее перейдите в Корзину и нажмите на «Оформить заказ» или «Быстрый заказ».

      Когда оформляете быстрый заказ, напишите ФИО, телефон и e-mail. Вам перезвонит менеджер и уточнит условия заказа. По результатам разговора вам придет подтверждение оформления товара на почту или через СМС. Теперь останется только ждать доставки и радоваться новой покупке.

      Оформление заказа в стандартном режиме выглядит следующим образом. Заполняете полностью форму по последовательным этапам: адрес, способ доставки, оплаты, данные о себе. Советуем в комментарии к заказу написать информацию, которая поможет курьеру вас найти. Нажмите кнопку «Оформить заказ».

      Доставка товара осуществляется по предварительному согласованию даты и времени.
      Подробнее

      Не указан авторизационный ключ. Укажите корректный ключ в модуле решения

      НА ВСЕ ТОВАРЫ KESSEBOEHMER ДЕЙСТВУЕТ АКЦИЯ "СКИДКА ЗА ОБЪЕМ ЗАКАЗА"

      Скидка предоставляется при единовременном заказе продукции в нашем интернет-магазине kesseboehmer:

      • 3% при заказе не сумму от 200 000р.
      Действие акции не ограниченно по времени. Скидки суммируются со всеми акциями и скидками.

      Подробнее

      Новости
      Подъемный механизм FREElight - легкий минимализм Kesseböhmer Kessebohmer в Ижевске
      12.01.2026
      Подъемный механизм FREElight - легкий минимализм Kesseböhmer
      Логистика на новом уровне и усовершенствованная фурнитура для FreeFold Kessebohmer в Ижевске
      27.10.2025
      Логистика на новом уровне и усовершенствованная фурнитура для FreeFold
      Лофт-кухня мечты: Kesseböhmer помогает реализовать нестандартные проекты Kessebohmer в Ижевске
      29.09.2025
      Лофт-кухня мечты: Kesseböhmer помогает реализовать нестандартные проекты
      Повышение цен на продукцию Kesseböhmer Kessebohmer в Ижевске
      17.02.2025
      Повышение цен на продукцию Kesseböhmer
      Новые 3D модели на продукцию Kesseboehmer для Базис Мебельщик Kessebohmer в Ижевске
      13.12.2024
      Новые 3D модели на продукцию Kesseboehmer для Базис Мебельщик
      Калькулятор подбора подъемных механизмов Kesseböhmer усовершенствован Kessebohmer в Ижевске
      11.11.2024
      Калькулятор подбора подъемных механизмов Kesseböhmer усовершенствован
      Подбор подъёмных механизмов Kesseböhmer Kessebohmer в Ижевске
      28.06.2024
      Подбор подъёмных механизмов Kesseböhmer
      Готовые решения подъемников FREEfold, FREEswing и FREEslide Kessebohmer в Ижевске
      22.03.2024
      Готовые решения подъемников FREEfold, FREEswing и FREEslide
      Кессебёмер
      Kesseböhmer - инновационные решения и мощное сочетание дизайна, функциональности и качества мебельной фурнитуры.
      Все товары категории
      Все товары бренда Кессебёмер

      Нужна консультация?

      Наши специалисты ответят на любой интересующий вопрос
      Задать вопрос
      Каталог товаров
      О компании
      Конфигуратор
      Оплата
      Доставка
      Гарантия
      Новости
      Контакты
      Персональные данные
      • Telegram
      • Rutube
      8 800 550-68-99
      8 800 550-68-99
      +7 (921) 947-69-67
      zakaz@kesse-russia.ru
      Подписаться на рассылку
      Политика конфиденциальности
      2026 © Официальный интернет-магазин Kesseboehmer (ООО "ГРАНДИС" ОГРН1237800023669)